You are here:
Erstellung eines Schaltplans mit Aufbaubezeichnung und Funktionsplan, Steuerungsprogrammierung sowie 3D-Planung
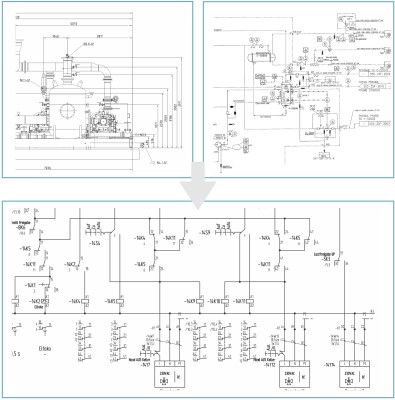
Schaltplanerstellung durch Aufbauzeichnung und Funktionsplan / P&ID (piping and instrumentation diagram).
Steuerungsprogrammierung (Hier Programmausschnitt aus einer S7-Steuerung).
3D-Planung u. a. von Anlagenkomponenten und Sonderkonstruktionen (Hier Beispiel zu Sonderkonstruktion für Füllschachtsmessungen).
Zurück
Telefon:+49 (0)9123 9411 - 0
E-Mail:info@systech-gmbh.de